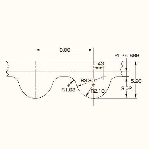
ЗУБЧАТЫЕ ПРИВОДНЫЕ ПОЛИУРЕТАНОВЫЕ РЕМНИ
ГАРАНТИЯ И ДОСТАВКА В ЛЮБОЙ РЕГИОН БЕЛАРУСИ
ИНДИВИДУАЛЬНЫЙ ПОДХОД К КАЖДОМУ ЗАКАЗУ. ГАРАНТИЯ.
На собственном производстве, оснащённом современными станками, мы выполняем необходимые операции под задачи клиента:
Резка приводов
Отрезаем ремни нужной ширины с минимальными допусками
Наварка толкателей
Для транспортировочных зубчатых ремней
Перфорация
Нанесение отверстий под конкретные задачи
Соединение ремней
Соединяем открытые приводы в заданную длину
Защитные покрытия
Нанесение покрытий на рабочую или внешнюю сторону (нейлон для повышения сцепления и износостойкости)
ВИДЫ ИЗГОТОВЛЕНИЯ РЕМНЕЙ
Поставляем со стальным, кевларовым, арамидным и нержавеющим кордом
ОСНОВНЫЕ ПРЕИМУЩЕСТВА:
- Постоянство размеров;
- Низкий уровень шума привода;
- Высокое сопротивление истиранию;
- Хорошая гибкость;
- Линейная скорость до 80 м/c;
- Интервал рабочих температур от -30C до +80C (до +110 на короткий период);
- Высокая сопротивляемость маслам и жирам;
Заключаем договоры на поддержание товара на складе по Вашим годовым потребностям без предоплаты
ПОСТАВКА ВО ВСЕ СТРАНЫ СНГ
Наша компания предлагает купить бесконечные приводные ремни с гарантией. Мы крупный и надежный поставщик приводов для зубчато-ременной передачи в Республике Беларусь и на территории СНГ.
Если Вы искали зубчатые ремешки для своего производства – то попали на нужную страницу и нужный сайт! В каталоге нашего интернет-магазина сотни предложений и тысячи моделей изделий, полиуретановые и резиновые приводы от ведущих производителей Европы.
У нас Вы всегда найдёте то, что ищете! Офис фирмы находится в городе Минск, работаем со всеми организациями и компаниями из России, Казахстана, Украины и других стран СНГ. У нас быстрая и несложная доставка транспортными компаниями.
У НАС ТАКЖЕ МОЖНО ЗАКАЗАТЬ
- резиновые и полиуретановые приводы;
- односторонние и двухсторонние;
- открытые, конечной длины, в бухтах длиной до 100 метров;
- закрытые (бесконечные) заданной длины с непрерывным кордом для передачи мощности;
- длинномерные бесконечные;
- с кордами из кевлара, оцинкованной и нержавеющей стали;
- приводы для оргтехники и для бытовой техники;
- продукцию повышенной прочности для силовых передач.
ПОЧЕМУ СОТРУДНИЧЕСТВО С НАМИ — ЭТО ПРАВИЛЬНОЕ РЕШЕНИЕ?
На сегодняшний день многие клиенты — это правильное решение? Наше производство оснащено всем необходимым, чтобы удовлетворить самые разнообразные запросы клиентов.






























