ПРИВОДНЫЕ ЗУБЧАТЫЕ РЕМНИ HTD, RPP, GT, MGT, STS И STD
ГАРАНТИЯ И ДОСТАВКА В ЛЮБОЙ РЕГИОН БЕЛАРУСИ
ИНДИВИДУАЛЬНЫЙ ПОДХОД К КАЖДОМУ ЗАКАЗУ. ГАРАНТИЯ.
На собственном производстве, оснащённом современными станками, мы выполняем необходимые операции под задачи клиента:
Резка приводов
Отрезаем ремни нужной ширины с минимальными допусками
Наварка толкателей
Для транспортировочных зубчатых ремней
Перфорация
Нанесение отверстий под конкретные задачи
Соединение ремней
Соединяем открытые приводы в заданную длину
Защитные покрытия
Нанесение покрытий на рабочую или внешнюю сторону (нейлон для повышения сцепления и износостойкости)
ВИДЫ ИЗГОТОВЛЕНИЯ РЕМНЕЙ
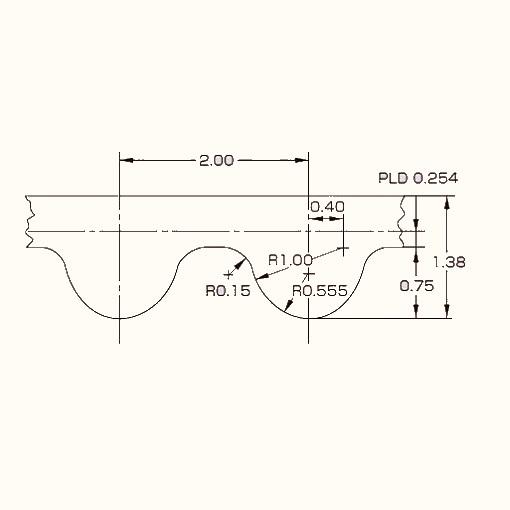
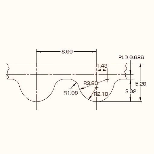
Зубчатые приводные ремни с современными круглыми профилями HTD, RPP, STS/STD, а также их взаимозаменяемыми аналогами, получили широкое применение в промышленности, машиностроении, станкостроении и смежных областях. В отличие от традиционных трапециевидных зубцов, округлый профиль в продольном сечении обеспечивает повышенную надёжность, стабильность работы и способность передавать большие нагрузки без проскальзывания.
Мы предлагаем широкий диапазон ремней с наиболее востребованными шагами зубьев: 2М, 3М, 5М, 8М, 14М и вплоть до 20М, которые используются от бытовой и офисной техники до тяжёлых промышленных установок. На производстве возможна поставка бесконечных полотен большой ширины и резка в необходимый размер по требованию заказчика.
Со склада доступны износостойкие резиновые зубчатые приводные ремни ведущих мировых производителей, включая решения для стандартных и высоконагруженных приводов. Ассортимент включает классические изделия, а также современные серии с углеродным кордом для максимальной производительности, минимального люфта и долговечной работы в ответственных механизмах.
Благодаря унификации профилей HTD, RPP, STS/STD, обеспечивается взаимозаменяемость, широкий выбор размеров и возможность подбора оптимального решения под конкретную задачу – от точных приводов станков до мощных промышленных механизмов. Такая конструкция обеспечивает высокую эффективность, низкие эксплуатационные расходы и соответствие современным требованиям к промышленным приводам.
РЕМНИ С КРУГЛЫМ ПРОФИЛЕМ:
- Высокая несущая способность и передача высоких нагрузок при малом шаге;
- Точное позиционирование, отсутствие проскальзывания и минимальное растяжение привода;
- Малый нагрев, низкий шум, высокий КПД (до 99%);
- Возможность работы на скоростях до 80 м/с, ключевая особенность — работа «по зубу»;
- Исполнения: односторонние, двухсторонние, бесконечные (с кордом) и открытые с последующим соединением;
- Полиуретановые версии с облицовкой зубьев и наварками Linatex, Tenax, Silomer, а также прозрачный/белый полиуретан;
- Улучшенные серии Silver, Gold, Platinum;
- Аналоги и совместимые решения: Megadyne (Isoran RPP Silver/Gold/Platinum), Optibelt Omega и HP HTD (3M, 5M, 8M, 14M), Omega FanPower, Contitech Synchroforce CXP (HTD/STD), Bando HPS, Fenner Torque HTD DrivePlus, PTS Strongbelt.
Мы заключаем договоры на складское хранение ремней по вашим годовым нуждам без предоплаты.
Предлагаем зубчатые ремни Gates PowerGrip® GT3 (шаг 3, 5, 8, 14 мм) и Megadyne (Isoran, Silver, Gold) — аналоги RPP, но лучше.
Gates GT3: +30% мощности vs GT2, без силикона, стекловолоконный корд, неопрен, нейлоновое покрытие зубьев — максимальная прочность, гибкость и срок службы.
Megadyne: бесшумные, превосходят цепи, совместимы со шкивами RPP, меньшая ширина/вес, корды из стекловолокна, нейлоновое (двойное в топ-сериях) покрытие для отличного сцепления.
Идеально для промышленности: надёжность, устойчивость к маслу/грязи и долгий ресурс.
ПОЧЕМУ СОТРУДНИЧЕСТВО С НАМИ — ЭТО ПРАВИЛЬНОЕ РЕШЕНИЕ?
На сегодняшний день многие клиенты — это правильное решение? Наше производство оснащено всем необходимым, чтобы удовлетворить самые разнообразные запросы клиентов.




























