Зубчатый ремень STS S4.5M

Высокопроизводительный ремень Super Torque с шагом 4,5 мм. Улучшенный профиль зуба для большей нагрузки и тихой работы. Доставляем по всей Беларуси.

Преимущества зубчатого ремня STS S4.5M

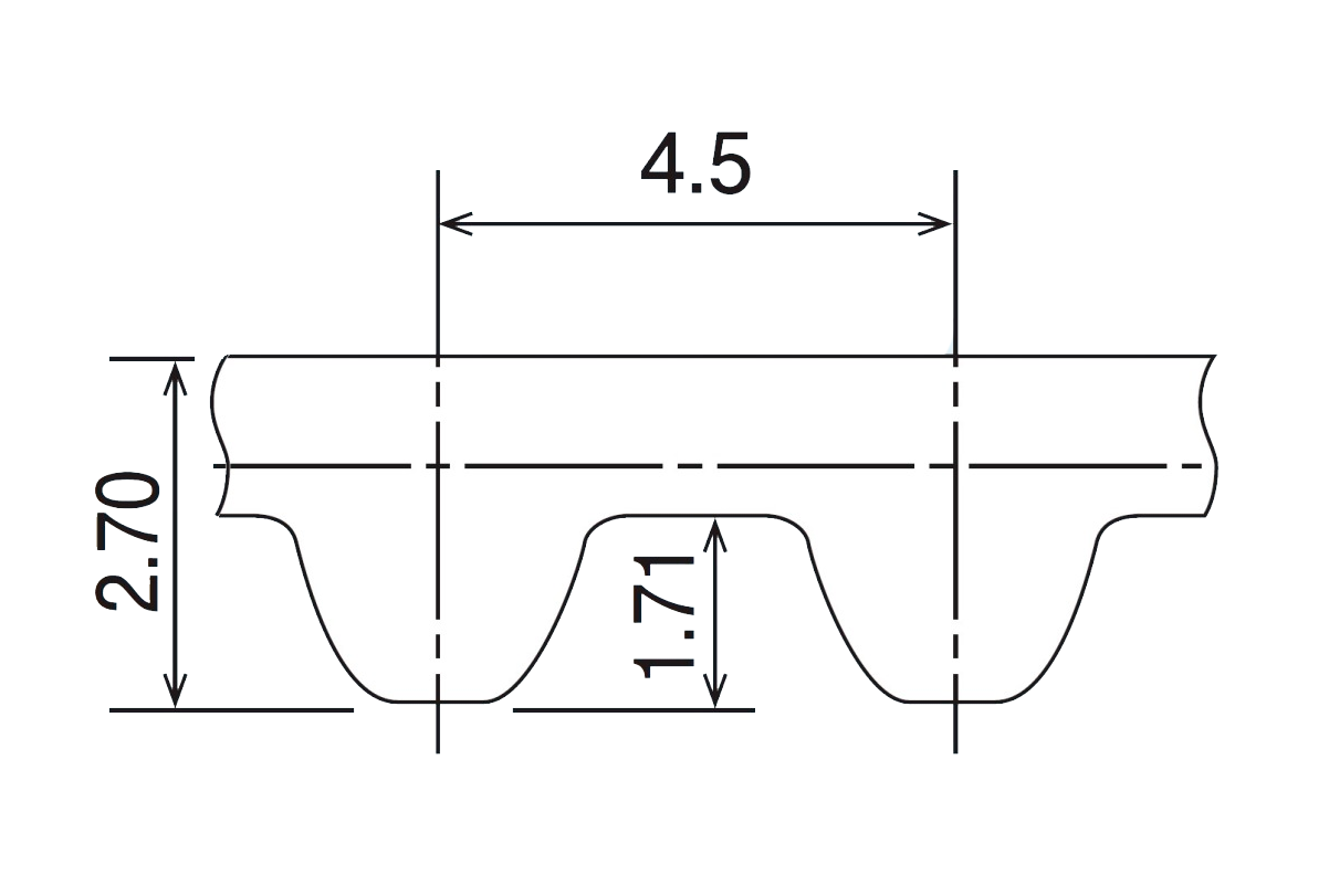
  • Шаг зуба: 4,5 мм
  • Улучшенный плоско-дуговой профиль зуба — минимальный люфт и низкий шум
  • Высокая нагрузочная способность (выше, чем у HTD)
  • Корд: стекловолокно или сталь
  • Растяжение менее 0,1 % за весь срок службы
  • Тихая работа даже на высоких скоростях
  • Рабочая температура от –30 до +100 °C

Области применения ремня STS S4.5M

  • Промышленные ЧПУ-станки и фрезеры
  • Линейные модули и высокоточные актуаторы
  • Промышленная автоматика и робототехника
  • Оборудование с высокими нагрузками и скоростями
  • Приводы, где требуется тихая и надёжная передача мощности

Зубчатые ремни STS S4.5M – купить в Беларуси для высоконагруженных приводов

Современный ремень Super Torque с шагом 4,5 мм — улучшенная версия HTD. Обеспечивает большую передаваемую мощность, низкий уровень шума и длительный срок службы.

В наличии ширины 9 мм, 15 мм, 25 мм и другие. Отрезаем любой метраж, изготавливаем замкнутые ремни точно под ваш размер.

Получите консультацию — подберём оптимальный ремень STS S4.5M под ваше оборудование.

Популярные ремни STS S4.5M

S4.5M 15 мм

Ремень зубчатый STS S4.5M-450 любой ширины

Перейти
S4.5M 25 мм

Ремень STS S4.5M-720 зубчатый любой ширины

Перейти
Замкнутый S4.5M

Замкнутые ремни STS S4.5M (любой длины и ширины)

Перейти

Наши преимущества

Безупречная система приводных ремней
Сервис 24/7
Широкий выбор зубчатых ремней
Надёжные бренды

Нужна помощь? Закажите обратный звонок

Наш специалист свяжется с вами в ближайшее время, чтобы ответить на все вопросы и помочь с выбором.

Наша продукция

Запасные части для производства

Запчасти для производства

Перейти
Изделия из тефлона

Изделия из тефлона

Перейти
Приводные ремни

Приводные ремни

Перейти
Защита для станков

Защита для станков

Перейти

 

Частное Унитарное Предприятие «МИР РЕМНЕЙ»
Свидетельство № 692213496 выданное 9.11.2022 г. администрацией Минского райисполкома.
Юридический адрес: Республика Беларусь, Минский район, деревня Боровая дом 3, кабинет 77

УНП 692213496
р/с BY07AKBB30120000527790000000
BYN ОАО «АСБ Беларусбанк»
код AKBBBY2X

Администратор: +375-29-739-93-03

Информация на сайте не является публичной офертой

Публичный договор оферты
Политика конфиденциальности

Электронная почта: info@мир-ремней.бел

Мы используем файлы cookie для работы сайта. Подробнее
Согласен

whatsapp telegramicon instagramicon*