Направляющая шина WB27-16-12 для фрезерного станка Elixmate SM6090
Способы доставки
Оплата
Обзор
Описание
Компактная направляющая шина WB27-16-12 с Т-образными пазами обеспечивает точное центрирование и надежную фиксацию оснастки на столе фрезерного станка Elixmate SM6090. Подходит для профессиональной гравировки и фрезеровки мелких деталей с минимальными вибрациями и быстрой переналадкой.
Направляющая шина Elixmate:
- Материал: Алюминиевый сплав с анодированием для повышенной твердости и коррозионной стойкости.
- Тип: Направляющая шина T-track (Т-пазы).
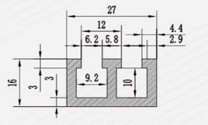
- Размеры: Ширина 27 мм, длина 1000 мм (вариант 500 мм), высота 16 мм, профиль WB27-16-12.
- Температурный диапазон: От -40°C до +150°C.
Характеристики
- Артикул
- 64054
- Страна:
- Беларусь
- Комплектация
- штучное изделие
- Состояние
- Новый
Характеристики
Отзывы
Вопрос-Ответ
Подробнее
Шина WB27-16-12 — оптимальное решение для настольных и среднеразмерных фрезерных станков Elixmate SM6090, где важна компактность и точность. Профиль с Т-образными пазами позволяет быстро устанавливать и перемещать упоры, прижимы и шаблоны, обеспечивая стабильность заготовки при гравировке, резке и 3D-обработке. Анодированный алюминий выдерживает интенсивную эксплуатацию без деформации, а ширина 27 мм идеально вписывается в столы небольших ЧПУ. Шина минимизирует вибрации и упрощает работу с мелкими деталями.
Совместимость: Elixmate SM6090/SM1325, аналогичные модели с Т-пазами.
Установка/Уход: Крепление в стол, очистка от пыли, хранение без ударов.
Поделиться в соц. сетях *
Специально для Вас:




























































